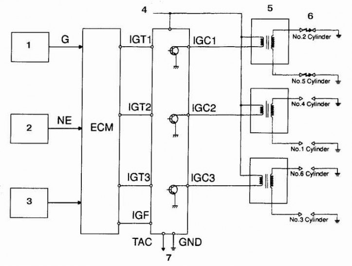
Типовая система зажигания рассматриваемых автомобилей
1. Датчик вращения распредвала; 2. Датчик вращения коленвала; 3. Остальные датчики; 4. От батареи; 5. Катушка зажигания; 6. Свеча
Рассматриваемые автомобили оборудованы системой зажигания без распределителя (т. н. DIS-системой), в которой одна катушка приходится на два цилиндра.
В DIS-системе используется двухискровое зажигание. Искра появляется одновременно в двух цилиндрах, поршень одного совершает такт сжатия, а другого – такт выпуска. Причем, в первом из этих цилиндров мощность искрового разряда намного превышает мощность разряда во втором, в котором искра используется только для дожигания остатков несгоревшей горючей смеси. На двигателях V6 искра создается в парах цилиндров 1–4, 2–5, 3–6, а в 4-цилиндровых – 1–4 и 3–2.
В состав DIS-системы зажигания входят датчики вращения распредвала и коленвала, процессор (PCM-модуль), катушки и электронный модуль. Процессор формирует опознавательные сигналы для каждого цилиндра, которые запускают электронный модуль, коммутирующий катушки зажигания. Процессорный блок автоматически регулирует момент зажигания в ответ на сигналы, поступающие от различных датчиков автомобиля. Электронный модуль распределяет сигналы по соответствующим катушкам и задает время задержки до коммутации катушки в соответствии с током в первичной цепи.
На двигателях V6 свечи левой головки цилиндров вставляются непосредственно в разъемы на катушках, а свечи правой головки цилиндров соединяются с катушками проводами. На 4-цилиндровых двигателях катушки смонтированы рядом с головкой цилиндров, свечи соединяются с катушками проводами. Электронный модуль смонтирован на двигателях V6 рядом с главным цилиндром тормозов, под монтажным блоком реле, на 4-цилиндровых двигателях модуль неразборным образом встроен в кожух катушек и меняется совместно с ними.
Внимание! При отказе пуска двигателя не оставляйте зажигание включенным на время большее 10 минут.
Подключайте тахометр в соответствии с инструкцией изготовителя. Некоторые тахометры несовместимы с системой электрооборудования автомобиля. Перед приобретением тахометра проконсультируйтесь в службе автосервиса.
Не допускайте касания выводов катушки зажигания с массой.
Запрещается отключать батарею от массы на работающем двигателе.
Постоянно следите за тем, чтобы блок электронного зажигания был надежно соединен с массой.
Проверка

Если двигатель не запускается, а стартер вращает коленвал, то отсоедините провод от свечи левого цилиндра и соедините с испытательным разрядником. Разрядник должен быть специально предназначен для проверки DIS-системы.
Запустите двигатель и проверьте наличие искры.
Если искра наблюдается, то выверните свечи и проверьте их состояние.
Внимание! На двигателе V6 для проверки подключайтесь к проводам, ведущим к задней головке цилиндров.
Если искра отсутствует, или искрообразование неустойчивое, то проверьте напряжение от батареи на каждой катушке. Если напряжение есть, то проверьте сопротивление обмоток катушки.

Для проверки напряжения на катушке на 4-цилиндровом двигателе отсоедините разъем, включите зажигание и присоедините вольтметр к выводу 1 разъема (проверка выполняется на неработающем двигателе).

Для проверки напряжения на катушке на двигателе V6 отсоедините разъем, включите зажигание и присоедините вольтметр к выводу 1 разъема (проверка выполняется на неработающем двигателе).
Проверьте датчики вращения валов (см. подраздел 7.2.10., подраздел 7.2.11.).
Проверьте на катушках сигнал от процессора (на 4-цилиндровом двигателе) или от электронного блока (на двигателе V6).

Для этого на 4-цилиндровом двигателе проверьте наличие напряжения 5 В на выводе 3 разъема катушки при включенном зажигании.
Проверьте также наличие флуктуирующего напряжения 0,1–4,0 В на выводе 2 разъема (для этого помощник должен включить стартер). Если на разъемах катушек напряжение не соответствует этим нормам, то замените или отремонтируйте процессорный блок, в противном случае 5 замените катушку с электронным блоком.

На 6-цилиндровом двигателе наличие сигнала проверяется подключением светодиода на 12 В на выводе 2 разъема, который должен мигать при включении стартера. Если мигание отсутствует, то проверьте электронный блок зажигания (см. подраздел 3.4.8.).
