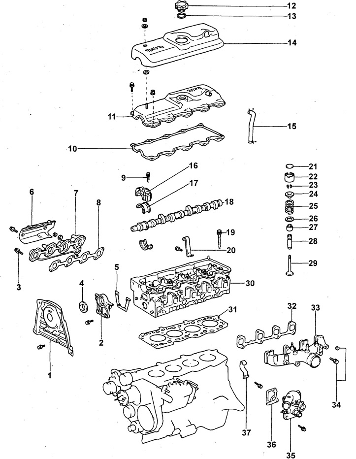
Глава на двигателя 2L, 3L.
1 - заден капак на зъбния ремък,
2 - корпус на масленото уплътнение на разпределителния вал,
3 - болт M.3 52 Nm,
4 - маслено уплътнение,
5, 8, 10, 13, 36 - уплътнение,
6 - капак,
7 - изпускателен колектор,
9 - болт M. 3. 25 Nm,
11 - капак на цилиндровата глава № 1,
12 - капачка за пълнене на масло,
14 - капак на цилиндровата глава № 2,
15 - маркуч за вентилация на картера,
16 - капачка на лагера на разпределителния вал,
17 - лагер на разпределителния вал,
18 - разпределителен вал,
19 - болт M. 3. 78 Nm + 90° + 90°,
20 - дясна скоба за окачване,
21 - регулираща шайба,
22 - кран на клапана,
23 - бисквити,
24 - пружинна плоча,
25 - пружина на клапана,
26 - пружинна седалка,
27 - маслено уплътнение,
28 - направляваща втулка на клапана,
29 - клапан,
30 - цилиндрова глава,
31 - уплътнение на главата на цилиндъра,
32 - уплътнение на всмукателния колектор,
33 - всмукателен колектор,
34 - M. 3. 24 Nm,
35 - разклонителна тръба,
37 - лява скоба за окачване.
Текстът е цитиран от уебсайта източник [ToyotaMAN]
